10

主题

0

好友

1089

积分
     

侠之大者 当前离线

Rank: 6Rank: 6

UID
52141
帖子
1153
精华
0
经验
1089 点
金钱
1076 ¥
注册时间
2008-8-26
发表于 2013-10-11 00:57 | 显示全部楼层
有没有试过irfu214

31

主题

1

好友

642

积分

职业侠客 当前离线

Rank: 5Rank: 5

UID
103167
帖子
770
精华
0
经验
642 点
金钱
593 ¥
注册时间
2009-5-10
 楼主| 发表于 2013-10-11 10:50 | 显示全部楼层
dione 发表于 2013-10-11 00:57
有没有试过irfu214

没有用过,手头上也没有

31

主题

1

好友

642

积分

职业侠客 当前离线

Rank: 5Rank: 5

UID
103167
帖子
770
精华
0
经验
642 点
金钱
593 ¥
注册时间
2009-5-10
 楼主| 发表于 2013-10-11 10:51 | 显示全部楼层
zwf 发表于 2013-10-10 21:25
中秋节前到现在,由于母亲病重,楼主赠送的20mA横流二极管早就到手了,都没时间和心情去折腾,只好等一等了 ...

准备试试把反馈电容20p的反馈电容去掉

17

主题

5

好友

574

积分

职业侠客 当前离线

Rank: 5Rank: 5

UID
220006
帖子
668
精华
0
经验
574 点
金钱
555 ¥
注册时间
2010-7-14
发表于 2013-10-11 19:31 | 显示全部楼层
我的mk2改动电路之后静态一直在1A左右,为毛前天掉下了 稳定在120ma左右,难道是老化后的结果?

31

主题

1

好友

642

积分

职业侠客 当前离线

Rank: 5Rank: 5

UID
103167
帖子
770
精华
0
经验
642 点
金钱
593 ¥
注册时间
2009-5-10
 楼主| 发表于 2013-10-12 12:41 | 显示全部楼层
期望 发表于 2013-10-11 19:31
我的mk2改动电路之后静态一直在1A左右,为毛前天掉下了 稳定在120ma左右,难道是老化后的结果?

这么小的静态电流,我只有在恒流为3ma的时候的最低静态电流时有

17

主题

5

好友

574

积分

职业侠客 当前离线

Rank: 5Rank: 5

UID
220006
帖子
668
精华
0
经验
574 点
金钱
555 ¥
注册时间
2010-7-14
发表于 2013-10-17 22:46 | 显示全部楼层
zwc-king 发表于 2013-10-11 10:51
准备试试把反馈电容20p的反馈电容去掉

原本我的功放自激,把这个加上去就好了,去掉可能会自激哦

31

主题

1

好友

642

积分

职业侠客 当前离线

Rank: 5Rank: 5

UID
103167
帖子
770
精华
0
经验
642 点
金钱
593 ¥
注册时间
2009-5-10
 楼主| 发表于 2013-10-18 10:56 | 显示全部楼层
期望 发表于 2013-10-17 22:46
原本我的功放自激,把这个加上去就好了,去掉可能会自激哦

这个电容主要是消除振铃,好像振铃严重了就会自激。我已经把它去掉,发现50K的方波好了一些,高频响应更好了,同时也去掉了消振电路,也没发现自激。已经装箱了,今天再测了如果没有自激,就不再动它了。对了,我还并了0.1u电容在稳压管上,求得消除高频噪声

31

主题

1

好友

642

积分

职业侠客 当前离线

Rank: 5Rank: 5

UID
103167
帖子
770
精华
0
经验
642 点
金钱
593 ¥
注册时间
2009-5-10
 楼主| 发表于 2013-10-18 11:05 | 显示全部楼层
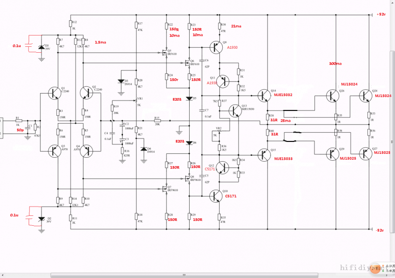
本帖最后由 zwc-king 于 2013-10-18 11:06 编辑

现在确定的电路。
ksa 100mk2电路图 实际8.png
昨晚试听了,可以确定这个电路声场宽广,人声挺有味道,耐听,动态很好。

31

主题

1

好友

642

积分

职业侠客 当前离线

Rank: 5Rank: 5

UID
103167
帖子
770
精华
0
经验
642 点
金钱
593 ¥
注册时间
2009-5-10
 楼主| 发表于 2013-10-18 11:10 | 显示全部楼层
由于1楼的图片看不了,现重新上图

1N5309更换LM317

1N5309更换LM317

需要更换的1K电阻的位置

需要更换的1K电阻的位置

220

主题

17

好友

1208

积分
     

侠之大者 当前离线

Rank: 6Rank: 6

UID
200374
帖子
6716
精华
0
经验
1208 点
金钱
1030 ¥
注册时间
2010-5-12
发表于 2013-10-19 17:33 | 显示全部楼层
zwc-king 发表于 2013-10-18 11:05
现在确定的电路。

昨晚试听了,可以确定这个电路声场宽广,人声挺有味道,耐听,动态很好。

这样改好像成了KSA50一样的电路了
头像被屏蔽

101

主题

2

好友

1407

积分

禁止发言 当前离线

军师

UID
363659
帖子
1685
精华
1
经验
1407 点
金钱
1305 ¥
注册时间
2011-7-11
发表于 2013-10-19 19:59 | 显示全部楼层
提示: 作者被禁止或删除 内容自动屏蔽

0

主题

0

好友

110

积分

论坛游民 当前离线

Rank: 3Rank: 3

UID
284312
帖子
212
精华
0
经验
110 点
金钱
100 ¥
注册时间
2011-1-19
发表于 2013-11-28 10:11 | 显示全部楼层
认真学习,为我的板子做准备。

37

主题

4

好友

1599

积分
     

侠之大者 当前离线

求学路上的老菜鸟

Rank: 6Rank: 6

UID
173607
帖子
2289
精华
0
经验
1599 点
金钱
1471 ¥
注册时间
2010-2-13
发表于 2013-11-29 08:07 | 显示全部楼层
zwc-king 发表于 2013-10-11 10:51
准备试试把反馈电容20p的反馈电容去掉

楼主就不怕出现振荡吗?

31

主题

1

好友

642

积分

职业侠客 当前离线

Rank: 5Rank: 5

UID
103167
帖子
770
精华
0
经验
642 点
金钱
593 ¥
注册时间
2009-5-10
 楼主| 发表于 2013-12-2 18:18 | 显示全部楼层
zwf 发表于 2013-11-29 08:07
楼主就不怕出现振荡吗?

一直没测到振荡了。最近去一个高手那里听他指导,发现用两个1000u时低频控制力不如用一个,我现在只用一个大电容了,而且正准备换用10u的威马电容就够

37

主题

4

好友

1599

积分
     

侠之大者 当前离线

求学路上的老菜鸟

Rank: 6Rank: 6

UID
173607
帖子
2289
精华
0
经验
1599 点
金钱
1471 ¥
注册时间
2010-2-13
发表于 2013-12-2 18:28 | 显示全部楼层
zwc-king 发表于 2013-12-2 18:18
一直没测到振荡了。最近去一个高手那里听他指导,发现用两个1000u时低频控制力不如用一个,我现在只用一个 ...

       反馈用10uF的电容?够么?  

31

主题

1

好友

642

积分

职业侠客 当前离线

Rank: 5Rank: 5

UID
103167
帖子
770
精华
0
经验
642 点
金钱
593 ¥
注册时间
2009-5-10
 楼主| 发表于 2013-12-3 09:52 | 显示全部楼层
zwf 发表于 2013-12-2 18:28
反馈用10uF的电容?够么?

用10u的尼康无极电容时,就跟你想的一样,低频很少,但用10u的威马薄膜电容时,居然跟450u的电容一样量,就是觉得RIFA的量与力度比ROE的更多,还在对比中

37

主题

4

好友

1599

积分
     

侠之大者 当前离线

求学路上的老菜鸟

Rank: 6Rank: 6

UID
173607
帖子
2289
精华
0
经验
1599 点
金钱
1471 ¥
注册时间
2010-2-13
发表于 2013-12-3 12:39 | 显示全部楼层
zwc-king 发表于 2013-12-3 09:52
用10u的尼康无极电容时,就跟你想的一样,低频很少,但用10u的威马薄膜电容时,居然跟450u的电容一样量, ...

       谢老弟了,应该试试!

335

主题

29

好友

5009

积分
     

罗宾汉 当前离线

Rank: 7Rank: 7Rank: 7

UID
4967
帖子
5674
精华
2
经验
5009 点
金钱
3568 ¥
注册时间
2005-7-20
发表于 2013-12-3 15:36 | 显示全部楼层
还有一个方法,可以用MPS8099.8599代用的
您需要登录后才可以回帖 登录 | 注册

本版积分规则

Archiver|手机版| ( 鄂ICP备2025138941号-3 ICP证:鄂B2-20130019 公安局网监备:420100007348 邮箱:1343292467@qq.com )

GMT+8, 2025-11-9 19:55 , Processed in 0.155788 second(s), 7 queries , Gzip On, Redis On.

Powered by Discuz! X3.4

© 2001-2012 Comsenz Inc.

返回顶部